行业动态
裂隙动水注浆堵水模型试验研究
来源:admin 浏览量: 发布时间:2022-08-18 16:13:23
由于地下空间的特殊性,地下工程极易发生渗漏水事故,大量的渗漏水问题不仅造成能源和资源的浪费,更影响建筑业形象提升与和谐社会建设,长期渗漏水破坏会降低工程结构使用寿命,甚至会危害运营期间人员和设备安全。注浆法由于其对整体结构破坏程度较低,是当前治理渗漏水工程难题的最佳工艺,采用压送设备将浆液灌入地层或裂缝内,固化后堵塞通道,进而从根本上解决渗漏水问题。注浆技术是气压、液压或电化学原理,把某些能凝结的浆液注入各种介质的裂缝或孔隙以填充、渗透、压密等方式挤走土颗粒或混凝土裂缝中的水分,待浆液凝结后,使隧道围岩或土体形成一个抗渗透性好、强度较高的整体,以达到堵水、加固、抬升以及纠偏围岩或土体的目的。由于注浆封堵工程的隐秘性和复杂性,浆液注入地层后的扩散过程和规律难以展示,并且注浆材料理化性质在地下水流环境下存在时变性,地下水不同流速、流向、流动方式都会对浆液扩散和封堵产生不利影响。此外,裂隙所在地层情况、孔隙分布情况、注浆压力、注浆流量等因素都影响注浆封堵效果。国内注浆模拟试验研究非常薄弱,致使注浆施工缺乏正确的理论指导,许多工程仅凭经验进行,无法评价注浆后的止水效果,造成材料大量浪费和工时拖延,注浆效果差等现象。
1 裂隙动水注浆堵水模型试验系统
裂隙动水条件下注浆封堵效果受到自然因素和工程因素等诸多因素的影响。因此,要满足室内开展多因素条件下注浆浆液在裂隙中的扩散规律,需满足以下条件。
(1)可提供水压不同且流动的稳定动水水流。
(2)能实现单液或双液注浆,且注浆压力和注浆流量可以调节。
(3)拥有数据采集设备和视图采集设备,以保证试验过程中能对动水流速、注浆流量、注浆压力、凝胶时间等进行检测。
(4)能记录注浆时浆液的流动状态,用于描绘后期浆液扩散图;
(5)裂隙模拟材料封漏过程应可视且性能稳定。如亚克力板,透明度高、耐候性极佳且表面硬度较高,其稳定性好,耐磨性接近铝材,耐多种化学品腐蚀。
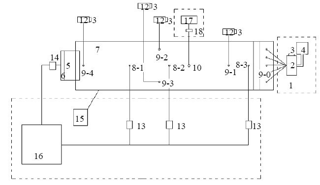
根据功能要求,模拟裂隙动水注浆试验平台包括动水装置系统、注浆系统、模拟裂隙、数据采集系统及图像采集系统(图1)。

图1 裂隙动水注浆试验平台结构示意
1—动水系统;2—流量计;3—阀门;4—储水箱;5—废液收集桶;6—电子天平;7—模拟裂隙设备;8—压力传感器连接孔;9—注水口;10—注浆口;11—出水口;12—流量计;13—压力传感器;14—重力传感器;15—图像采集系统;16—数据采集及处理系统;17—双液注浆机;18—压力表
为在试验中提供稳定水流流速,动水系统设计为可调节动水流速的设备,包括动水装置和进水口。动水装置由储水箱、流量计和阀门组成。注浆系统由注浆机和压力表组成,注浆机优选注浆速度可调的双液注浆机。压力表设置在注浆嘴上,用于记录注浆压力。废液收集桶用于收集从裂隙中流出的水、浆液或凝胶,废液收集桶置于天平上,用于直接观测,并通过压力传感器将废液重量传输至计算机。数据采集及处理系统由重力传感器、压力传感器、秒表和计算机组成,可实时采集裂隙末端流出液体和凝胶重量,压力传感器分别位于第一、二、三传感器连接孔处,用于实时检测、采集注浆和动水压力。
2 裂隙动水注浆堵水模型试验设计
本试验主要考察试验动水流速、模拟裂隙张开度、浆液凝胶时间和注浆流量4个因素。采用四因素四水平正交试验法考察各因素对丙烯酸盐化学灌浆材料堵水率的影响。
动水流速取2 cm/s, 4 cm/s, 6 cm/s, 8 cm/s 4个水平。浆液凝胶时间取22 s, 43 s, 61 s, 85 s 4个水平。结合裂隙尺寸四水平,考虑注浆机功率可调范围,双液注浆流量取200 L/min, 400 L/min, 600 L/min, 800 L/min 4个水平。
模拟裂隙设置宽25 cm,长100 cm,透明可视化亚克力板一段开有注水孔,靠近进水孔设凹槽,水流经凹槽后可由管流转化为裂隙流;注浆孔内径13 mm,设在距凹槽30 cm处;距注浆孔上下各20 cm处分别开有空隙水压力传感器连接孔,距注浆孔10 cm处再另设空隙水压力传感器连接孔,孔径均为6 mm;在裂隙末端均匀分布3个直径20 mm的出液孔;裂隙开度用胶条置于2层亚克力板之间模拟,分别取1.0 mm, 2.0 mm, 3.0 mm, 4.0 mm 4个水平。
正交试验因素水平设计见表1。

表1 正交试验因素水平设计
实际工程中由于地质条件的复杂性及隐秘性,注浆停止的标准往往通过观测注浆压力、注浆流量、注浆时间、涌水量变化等指标来判定。由于在模型试验过程中,动水流量可全程监测,因此可以根据堵水率指标评价封堵效果。
堵水率(SE):通过裂隙末端与出水口相连的废液收集桶底的电子秤及流量传感器配合监测并记录动水流量数据,待注浆结束并稳定后动水流量减小值与初始动水流量的比值即为堵水率(SE),可用下式计算:
式中:Q0为注浆前初始动水流量;Qg为注浆结束后动水流量。
该裂隙动水注浆堵水模型试验具体步骤如下。
(1)将胶条放置于上、下板之间并用胶带封上,形成具有一定张开度的模拟裂隙(1.0 mm, 2.0 mm, 3.0 mm, 4.0 mm)。
(2)放置动水水源装置,将出水管接在模拟裂隙装置的入水孔处,调整水头高度,测量出水口处的重量使其达到设计流速,最终设置注水口处动水流速(2 cm/s, 4 cm/s, 6 cm/s, 8 cm/s)。
(3)将注浆嘴插入裂隙上板注浆口,配制待注丙烯酸盐浆液(凝胶时间分别为22 s, 43 s, 61 s, 85 s),设置注浆流量(200 L/min, 400 L/min, 600 L/min, 800 L/min),开启双液注浆机开始注浆,注浆开始时打开相机记录注浆过程。
(4)用废液收集桶收集从出水口流出的液体或凝胶,通过重力传感器将数据传输至计算机,绘制出末端液体流量与注浆时间曲线图。
(5)待注浆结束稳定后,计算动水流量减小值与初始动水流量的比值用于评价浆液的封堵效果,即堵水率。
最终,根据浆液扩散和分布情况、末端动水流量及堵水率来评价丙烯酸盐灌浆材料的注浆封堵效果。
3 裂隙动水注浆堵水模型试验堵水效果
根据表1中因素和水平条件,选用四水平四因素[L16(45)]正交试验设计,室内条件下进行裂隙动水注浆封堵试验16组,各组堵水率见表2。

表2 正交试验方案设计及结果
从表2可知,正交试验在各不同组合的试验因素条件下,注浆堵水率最小为7.53%,最大为98.93%。
3.1 因素重要性分析
对正交试验结果进行极差分析可得到因素重要性、因素水平变化2方面的信息对评价指标的影响规律。表3为各因素下K和R值。

表3 各因素对注浆材料堵水率的影响
从表3可知,各因素对注浆材料堵水率的影响主次为A>B>D>C,即动水流速>裂隙张开度>注浆流量>浆液凝胶时间。A因素的极差最大为70.97,说明动水流速对注浆材料堵水率影响最大;C因素极差最小为7.82%,说明浆液凝胶时间对注浆材料堵水率影响最小。
正交试验方案A4, B4, C1, D3,即动水流速为8 cm/s,裂隙张开度为4 mm,浆液凝胶时间为22s,浆液注浆流量为600 mL/min时,注浆材料堵水率最小为7.53%;正交试验最佳方案为A1, B1, C1, D1,此时动水流速为2cm/s,裂隙张开度为1 mm,浆液凝胶时间为22s,浆液注浆流量为200 mL/min时,注浆材料堵水率最大值为98.93%。
3.1.1 极差和方差分析
方差分析结果见表4,其中F值是因素水平改变引起的平均偏差平方和(Sj)与误差的平均偏差平方和(Se)的比值。

表4 正交试验方差分析
结果表明,A~D的因素中,A因素存在显著性差异,即动水流量对堵水率的影响最大,是影响注浆堵水效果好坏的最主要因素,且由方差分析可知该因素在α=5%水平下是显著的,其显著性的可信度是95%,因此在实际工程注浆参数设计中动水流量应作为首要考虑因素,其次是裂隙张开度和注浆流量,浆液凝胶时间对堵水效果并无太大影响。
α=5%时,通过查F分布数值表可知F0.05(15, 3)=3.29,因此FA、FB、FD值均大于3.29,说明因素A、B、D对注浆材料堵水性能有显著的影响,置信度高达95%。而FC值小于3.29,说明因素C对堵水性能无显著影响。
综上所述,因素A为主要因素,因素B、D次要因素,因素C为最次要因素。
3.1.2 各因素水平变化对堵水效果的影响分析
从指标–因素曲线可看出,注浆堵水率随初始动水流速增大而呈明显减小趋势,动水流速越大注浆堵水率效果越差。其原因是较大的动水流速条件下,注浆时浆液未及发生固化反应已被动水冲刷稀释,或已胶凝的化学浆液块体被动水冲散或形成导水通道,注浆堵水效果较差。
注浆堵水效果随裂隙张开度增大呈减小趋势,裂隙张开度越大注浆堵水效果越差。裂隙张开度增大后,动水对浆液的稀释、冲刷及推动等作用更加显著,且在相同注浆流量下裂隙中浆液的扩散能力有所下降。
浆液凝胶时间对注浆效果并无较大影响,随浆液凝胶时间增加,注浆堵水率并无明显的减小或增大趋势。注浆流量对注浆堵水效果影响较小,随注浆流量增大,注浆材料的堵水率增大幅度较小。
3.2 浆液堵水效果等级划分
通过观察浆液扩散情况发现试验组1, 2, 5, 6, 9,注浆后形成的凝胶在裂隙中分布较完整,且堵水率均高于80%。根据注浆过程中末端动水流量的变化,绘制试验1的动水流量变化曲线图,由此可看出,随注浆时间延长,末端动水流量先是平稳后峰值徒增,然后逐渐减小,最后趋于平稳。开始注浆后裂隙中原有单一动水平衡状态被打破,裂隙中动水被突然注入的浆液驱赶,此时浆液是低粘性流体,并未形成凝胶,裂隙中浆液与动水2种流体运动共同作用致使末端动水流量达到峰值。之后最初注入的浆液逐渐形成凝胶,与裂隙壁产生有效粘结,浆液扩散形成有效封堵,并且在浆液自身凝胶与裂隙壁产生粘结力的作用下,裂隙末端的动水流量减小。最终动水流量减小到一定程度后趋于0,实现了裂隙动水有效封堵。
试验组3, 4, 8, 10注浆后堵水率介于50%~80%。从试验组10动水流量变化曲线和凝胶注浆后分布情况可看出,不同于堵水率高于80%的动水流量变化曲线图,该试验组10浆液末端动水流量减小率较小,这是由于浆液固化形成凝胶虽能有效粘附于裂隙壁上,但受动水持续冲刷在裂隙侧边界或浆液固结体中间形成了较大的冲刷通道,并未实现完全封堵,待动水流量减小到一定程度后趋于稳定值,但由于存在冲刷通道,裂隙中凝胶体被分割,动水流量并未趋于0,故未形成动水水流完全封堵。
试验组7, 11, 12, 13, 14, 15, 16注浆后堵水率均小于50%。从试验组14中的末端动水流量曲线可知,随注浆时间延长,末端动水流量经历平稳阶段后,裂隙中的动水被浆液驱赶,动水流量峰值与低谷反复出现,呈现多峰波动,浆液堵水效果较差。
综上所述,根据浆液的留存情况及堵水率,可将注浆材料浆液注浆堵水效果分为4个等级(表5)。

表5 注浆堵水效果分类等级评判
4 结论
(1)本文通过设计并研制可视化动水下注浆堵水模型系统,进行单裂隙动水注浆封堵试验,结果表明动水流速是影响注浆材料堵水效果的最重要因素,裂隙张开度次之,浆液凝胶时间对堵水效果并无太大影响,故在实际工程注浆参数设计中,动水流量应作为首要考虑因素。
(2)根据裂隙动水流量变化规律,将浆液堵水效果分为较好、一般、较差、失败4个等级。堵水率大于50%时注浆治理效果较好,浆液在裂隙中留存较完整;堵水率小于50%时注浆治理效果较差,浆液在裂隙中留存不完整,存在多个溃水通道,凝胶支离破碎。
来源:建筑技术杂志社公众号
如有侵权请联系删除