行业动态

基于BIM技术的刻字干挂石材幕墙施工技术

来源:admin  浏览量:  发布时间:2024-05-12 22:42:01

随着人民生活水平的不断提高,大量公共建筑应运而生,建筑设计在综合场馆设计上,更多倾向选用石材,因其庄重、质朴的材料品性展现了建筑师的设计风格,使建筑物更具时代感,开槽背锚式石材干挂施工工艺,利用石材具有高耐腐蚀性,冷暖温差变形小,从而有效克服了板材内部的附加变形应力,其施工方法简单便捷,同时利用BIM信息化技术,通过三维虚拟建造技术,模拟了刻字石材幕墙板的安装全过程,使施工人员对操作的重点、难点有了深入、细致的理解,确保了工程质量安全,并圆满完成了施工任务。

1   工程概况

济南市长清区四馆(图书馆、文化馆、博物馆、档案馆)项目幕墙工程,位于长清区文昌片区清河街以北、莲台山路以东、宾谷街以南、东至规划路,结构形式为框架剪力墙结构,总建筑面积57 694.50 m2,其中外墙石材幕墙工程中,图书馆及文化馆南立面,刻字石材厚度为40 mm厚干挂石材,其它立面石材均为30 mm厚干挂石材,该石材幕墙工程于2020年5月开始施工,2020年11月竣工。如图1、图2所示。

图片

图1  工程全景图

图片

图2  南立面刻字图

2   工艺原理

前期利用BIM技术对石材幕墙进行建模,对结构受力特点进行分析,布置合理的幕墙预埋件,然后布设主龙骨及次龙骨,采用金属连接角件,固定在主体结构钢骨架上,在石材背面利用电锯开槽,使用结构胶安装固定,其中每块石材大小控制在1.2 m2左右,石材板块的加工与龙骨安装可分别进行,这样可大幅提高施工效率。

3   工艺流程和操作要点

3.1   工艺流程

施工工艺流程:利用BIM技术建模→对幕墙进行测量定位放线→墙体处理,安置预埋件→安装主、次龙骨→连接铝合金固定件→石材安装→勾缝、密封、打胶。

3.2   操作要点

(1)BIM建模优化设计。

为保证刻字石材立面效果,加工运输施工方便快捷,先对石材幕墙图纸进行BIM优化设计。

(2)定位放线。

以各楼层50 cm水平控制线为基准,控制幕墙石材的水平线和垂直线,以建筑物立面中间墙体窗口中心线为依据,向墙体两端测量放线,然后由墙体端部向窗口中部倒推复核,误差要求在设计允许误差之内。

(3)外墙墙体表面处理。

为保证主龙骨纵向铅垂度满足规范要求,先用剁斧将结构主体混凝土外墙面剁平,如遇模板穿墙洞用干硬性砂浆分次做填补捣实处理。

(4)主龙骨预埋件安设。

在建筑物主体施工阶段,幕墙专业施工队伍要将预埋件及时准确埋设,并与混凝土同时浇筑,误差要求控制在纵向不大于10 mm,水平方向不大于15 mm,如在主体施工过程中,预埋件单向出现误差,可通过焊接角码补长,如双向出现误差,则应对预埋钢板进行焊接加补处理,使其节点受力强度满足图纸设计要求。

(5)主龙骨安装。

首先根据BIM图纸,将运到工地的立柱运到指定地点进行编号存放,由底部向上逐次安装,两根立柱要留有一定间隙,连接角码与套芯要提前固定到主龙骨上,缝隙间距不小于20 mm,按照建筑物结构标高及现场弹设在建筑物的轴线,在埋件上临时点焊角码,确认无误后,再行施焊,上下节主龙骨钢管与钢管连接套芯通过不锈钢螺栓牢固固定,确保上下节钢管立柱能够可靠连接,同理完成后续钢管立柱的施工,而后用经纬仪对龙骨进行复测检查调整。

(6)次龙骨安装。

首先在主龙骨热镀锌钢方管120×60×4侧面打孔,用M10螺栓通过金属角码与次龙骨L50×5热镀锌角钢连接,在与主龙骨热镀锌钢管接触面处开设椭圆形孔洞,以便灵活调整,M10螺栓将次龙骨L50×5热镀锌角钢固定牢固,进行检查复核后,进行金属挂件固定,确保石材位置安放准确。

(7)石材挂件的安装。

挂件安装是幕墙施工中的重要步骤,其施工质量好坏将决定石材幕墙的表面平整度,施工中采用断续连接方式,用螺栓与次龙骨L50×5热镀锌角钢连接,石材板块的开槽部位要留有余地,以石材能在水平方向适当调整为宜。

(8)层间防火。

因石材幕墙与混凝土结构墙体有一定的间隙,一旦发生火灾要能阻断火势,在楼层楼板面处,需在石材板材与结构主体之间设置岩棉阻火带,在结构主体一侧采用射钉连接方式固定耐热钢板,另一侧固定在水平龙骨上,上部设置A级不燃材料岩棉做防火处理。

(9)石材安装。

1)工厂加工制作的石材要在现场进行二次复验,要确保满足BIM设计图纸的尺寸精度要求,把金属挂件用螺栓固定于次龙骨上,石材安装由下而上的步骤展开,对石材连接点利用机具进行开槽,然后在其上安装金属挂件,并进行微调,确保挂件受力均匀,石材表面垂直,依次完成外墙石材幕墙安装。

2)石材精准度控制:为防止施工误差,以每层楼50 cm水平线为准,全面检查石材安装累计误差,误差要求≤±2 mm,如误差超过要求,需在上层石材安装时进行调整,并通过经纬仪,精确检测确保外墙石材安装的准确性。

(10)缝隙打胶。

经相关单位人员检查验收合格后,在缝隙两侧贴上保护带,然后对缝隙进行仔细清理,防止污染石材,对石材板缝灌注结构胶,注胶完成后撕下保护带,完成打胶操作。

(11)清理与成品保护。

1)清理检查:首先确定螺栓的紧固程度,刻字石材板块的垂直平整度,缝隙误差,清理表面轻微污染,确保安装符合验收标准。

2)保护:距地面≤1.8m高处采用金属挡板围护,防止人员磕碰,>1.8m以上墙面采用密目网进行封闭保护。

4   材料

原材料质量的好坏与工程质量密切相关,必须高度重视,因而要对进场石材板与金属连接件进行严格把关,要对材料商的诚信、质量、价格、生产能力、售后进行全面评估,而后才能签订供货合同。

4.1   石材选择

用GB 18601—2009《天然花岗石建筑板材》标准选择石材,用GB/T 6566—2010《建筑材料放射性核素限量》标准确保选购的石材不危害人体健康。

4.2   主龙骨及次龙骨

要查验热镀锌钢管及角铁的出厂合格证及产地证明、金属元素含量、力学性能检测指标满足规范要求。

4.3   专用配件

预埋件钢板选用Q235B碳素结构钢,锚爪用HRB 400钢筋制作,连接金属角码要满足JGJ133—2001《金属与石材幕墙工程技术规范》相关要求,在螺栓的选用上,要确保螺栓已进行过防腐、防锈处理。

4.4   幕墙胶

查验胶的型号、生产厂家、有效期、幕墙结构胶的邵氏硬度等证明文件,并要求生产厂家提供具有正规资质检测部门出具的检验报告。

5   质量控制

5.1   施工过程中执行的国家及行业标准

GB/T 21086—2007《建筑幕墙》。

GB/T32834—2016 《干挂饰面石材》。

GB/T32839—2016《干挂石材用金属挂件》。

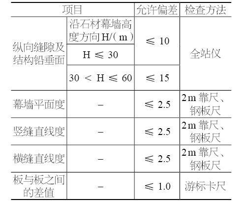
5.2   幕墙安装允许偏差

幕墙安装允许偏差按表1规定执行。

表1  幕墙安装允许偏差表          mm

图片

5.3   质量保证措施

(1)预埋件焊接与保护:施工前对预埋件焊缝高度进行检查,防止出现未焊满、咬边、根部收缩等现象,在混凝土振捣时,在接近预埋件处要小心振捣,防止触碰预埋件,发生变形,如遇变形,要及时调整到位,确保预埋件浇筑质量。

(2)防水要求:为确保干挂石材板件有利于抗震及自由伸缩,因而板材之间留有10 mm左右的缝隙,为防止外界雨水渗入,要确保结构胶和密封胶的打胶质量不留隐患。

(3)幕墙四周主体结构之间的缝隙,特别是左右两侧,应用防火密封胶封闭,确保严密。

6   安全与环保

(1)施工中严格按照国家和地方相关规范标准,加强施工管理及作业人员的岗位责任制考核,对操作人员要加强技术培训与交底,确保安全作业。

(2)电工、焊工等特殊工种作业人员均要求持证上岗,焊接作业时需先办理动火证,施工作业时下层需设立防火监护人,避免焊渣坠落引起失火。

(3)登高作业人员,要求在正确佩戴安全帽的同时,安全带要系挂牢固可靠结构物上,并锁好保险钩,高处作业人员操作工具要注意随时存放在安全包内,不得随意堆放。

(4)用电设备要执行一机一闸漏电开关,现场临时用电要架空布设,在过路面处的电线要加设钢套管保护,防止压裂从而导致人员触电。

(5)石材幕墙全部在工厂完成加工生产制作,运输车辆尾气排放标准要求,进场运输石材的车辆进场前要经过洗车台冲刷,防止污染现场环境。

(6)在现场主要作业区高处架设雾炮,确保消尘效果,同时设置噪声实时监测装置,防止噪声扰民,幕墙作业时,如用强噪声机械,要尽量控制在白天使用,防止噪声扰民。

(7)对于幕墙作业产生的包装垃圾、密封材料、清洗剂等可能产生有害的物质要分类收集处理,有害垃圾要运送到环保部门指定的处理场地,避免对环境造成污染。

7   效益分析

应用BIM信息化技术,成功缩短了施工工期30 d,经测算,累计节约成本23万元,为企业创造了较高的经济效益,由于施工质量精湛,且防水性能优良可靠,使企业在市场上赢得了较高的社会信誉和口碑。

8   结束语

BIM信息化技术在大型公共建筑刻字石材幕墙施工中的成功应用,与传统干挂石材幕墙施工方案相比,具有低碳环保,缩短建设周期,节约社会资源等诸多优点,为今后智慧建造提供了宝贵的可借鉴施工经验,同时也为企业创造了较高的经济和社会效益。


摘自《建筑工人》2024年2月,郭华善