行业动态
连载丨CFRP护套加固的低强钢筋混凝土柱数值建模研究(1)
来源:admin 浏览量: 发布时间:2024-10-20 10:52:02
凝土作为建筑行业中非常常见的材料之一,其强度较高且成本相对较低,因此被广泛应用。然而,由于混凝土材料的抗拉强度有限,混凝土结构在使用中的任何阶段都可能出现裂缝,从而危及其耐久性。这些裂缝可能扩展到砂浆基体中,进而降低混凝土材料的力学性能。在我国乡村地区,自制的混凝土建筑物属于一种经济且常见的建筑,其数量巨大。然而这些建筑物在材料质量、钢筋、加固以及细部设计等方面存在不足,在遭受极端荷载(如地震)的情况下容易发生倒塌。
一些研究指出,使用纤维增强聚合物(FRP)对这些建筑中薄弱的柱进行改造,可以大幅提升其性能,以满足现行混凝土规范对承载力的要求。此类研究还发现,FRP护套的有效应变与抗拉强度之比对加固效率是至关重要的。但是,当混凝土的抗压强度低于ACI标准所设定的最小抗压强度17 MPa时,会影响FRP护套的破坏模式。根据ACI 440.2R–17规范,使用碳纤维增强聚合物(CFRP)对混凝土材料进行加固,应使用最小抗压强度为17 MPa的混凝土材料。
然而,对于低抗压强度对混凝土结构整体机械性能的影响,目前尚未进行深入研究。提高混凝土柱的性能和稳定性,降低事故风险,提高乡村安全建筑的质量和可靠性具有重大民生意义。最近的研究证实,使用CFRP加强低抗压强度混凝土(以下简称“低强混凝土”)是可行的,可以显著提高混凝土的抗压能力。基于此,使用ABAQUS的非线性分析数值模型,对3种不同抗剪加固条件下的混凝土柱及CFRP护套厚度变化进行参数测试。
1 实验方案
1.1 试件准备
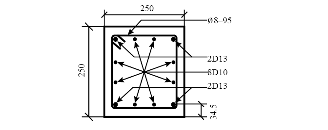
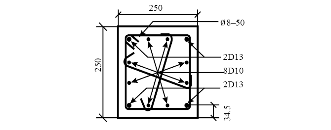
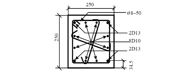
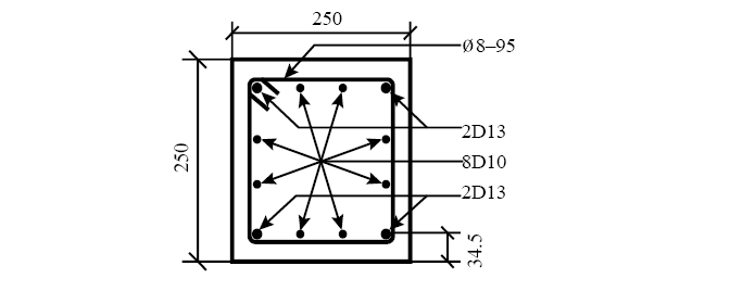
采用抗压强度为15 MPa的低强混凝土。混凝土柱试件尺寸为250 mm×250 mm×1 680 mm,纵向配筋采用4根直径13 mm(4D13)及8根直径10 mm(8D10)的钢筋(密度ρs=1.8 %),使用的抗剪钢筋是带交叉拉杆的方形箍筋。横向钢筋使用直径为8 mm的普通钢筋,间距为50 mm,安装在高度为250 mm的塑性铰链区,而塑性铰链区外的箍筋使用直径为8 mm的普通方形箍筋,间距为95 mm,没有交叉拉线。
模拟时,混凝土配筋柱长细比为22,不考虑导致二阶效应的柱身细长效应。试验方案见表1,试件几何尺寸和横截面如图1所示。
表1 试验方案


(a)

(b)

(c)
图1 试件几何尺寸和横截面示意
(a)试件几何尺寸;(b)截面B–B;(c)截面A–A
CFRP护套混凝土柱试件是一个用2层CFRP护套加固的钢筋混凝土柱试件,沿着柱的高度安装。图2显示了CFRP护套沿着试件安装的详细情况。

(a)

(b)
图2 CFRP护套安装细部示意
(a)CFRP护套;(b)细部图
1.2 混凝土柱数值建模
对采用CFRP护套加固的钢筋混凝土柱进行数值建模。混凝土柱采用有8个节点的线性缩减积分单元(C3D8R)的三维实体单元进行建模(图3),此外,考虑到嵌入的钢筋对柱体性能具有重要的影响,钢筋选用有2个节点的一阶单元(T3D2)的三维桁架单元进行建模。


图3 CFRP护套加固的混凝土柱建模
(a)混凝土柱三维实体单元建模;(b)CFRP护套三维壳单元建模
在加固方面,CFRP是此次试验使用的主要材料,因此需要对其进行精确的数值建模。CFRP使用可变形的三维壳单元(S4R)建模,其材料行为设置为线性弹性的薄片类型。为了模拟CFRP和混凝土之间的相互作用,采用Tie约束类型,将混凝土视为主面,CFRP视为从面。CFRP护套的单层厚度为1 mm。
在边界条件设置中,柱顶为自由端,柱底为锚固端。荷载施加在柱的顶部,轴向位移为50 mm。该试件采用位移控制方法施加单调的轴向荷载。为了模拟混凝土的反应,采用具有相关拉伸和压缩破坏参数的混凝土破坏塑性模型。
研究采用的混凝土的弹性模量为13.3 GPa,泊松比为0.19。混凝土塑性参数:扩张角为30.5°,偏心率为0.1,混凝土等效双轴抗压强度与单轴抗压强度比为1.16,刚度参数值为0.67,粘度系数设置为0.001。柱中纵向钢筋的屈服强度为400 MPa,极限拉伸强度为500 MPa,极限拉伸应变为0.088。箍筋的屈服强度为240 MPa,极限拉伸强度为300 MPa,极限拉伸应变为0.119。CFRP的两方向弹性模量分别为170 GPa和90 GPa,材料泊松比为0.35,平面内剪切模量为4.8 GPa。
摘自《建筑技术》2023年8月,寇大伦