总工委员会
行业动态
连载丨全钢附着式升降脚手架的深化设计与施工技术(2)
来源:admin 浏览量: 发布时间:2024-10-22 14:25:37
3 爬架在高层、超高层建筑中的施工技术
3.1 爬架安装
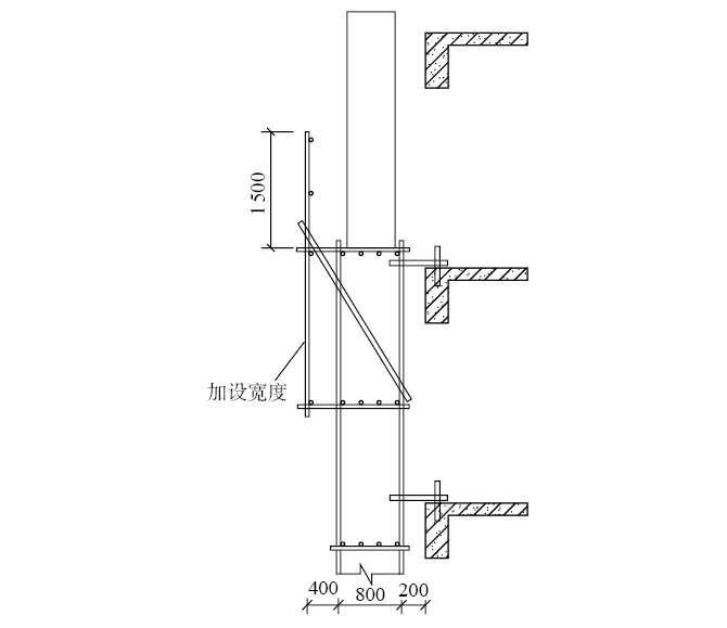
(1)安装平台。
安装平台采用落地式脚手架或悬挑式脚手架搭设而成,本工程爬架宽度为600 mm,安装平台宽度为1 200 mm。在搭设脚手架之前,需对脚手架立杆位置进行深化,确保立杆与结构边缘相距200 mm。落地架宽度不小于1 200 mm,如落地架宽度不足,可在外侧搭设挑架加宽(图5)。

图5 安装平台示意
(2)架体安装。
架体安装顺序为:底部走道板→立柱→转角处→导轨及辅助立杆→安全网→爬升和卸荷机构部位→防护及辅助设施。
(3)安装过程防倾覆措施。
在安装第一道附墙之前,爬架无可靠的防倾覆措施,必须在楼板上预埋钢管,采用钢管斜拉方式固定爬架立杆,每隔2跨设置1道附墙,钢管斜拉角度为45°~60°。当安装期间出现7级以上风时,需考虑暂时拆除已安装的防护网片,以减少风阻(图6)。

图6 爬架防倾覆措施
3.2 爬架首次爬升
爬架首次爬升前,检查所有主框架连接点,确保无螺栓遗漏;附墙支座、提升挂座垂直度需满足规范及设计要求,附墙支座、提升挂座与结构连接方式为8.8级M 30双螺栓和双螺母,螺栓为上下布置;检查支座的卸荷、防坠、防倾覆装置是否正常工作;安装最上面一道附墙支座,支座处混凝土强度不小于15 MPa;拆除所有防倾覆的钢管,同时打开所有翻板,确保无障碍物干涉爬架爬升。
爬架爬升50 mm后,停止爬升,对架体进行检查,在无异常情况后拆除第一道附墙支座,继续爬升一个楼层高度。若在爬升过程中发现任何异常,应立即关闭总控按钮,在查明原因后由架子班组长重新发布爬架爬升指令,直至爬升完毕。
爬架爬升完毕后,将3道附墙支座支顶器拧紧顶实,支顶器与水平角度不小于70°;恢复所有翻板;由于研发楼爬架悬挑端超过6 m,爬架需在建层下层设置斜拉钢管并固定,斜拉钢管每隔3跨设置1道;最后将单轨吊车松链卸荷,拆除提升挂座,安装至上层。
3.3 爬架标准层爬升
爬升流程如下:升降前向工作人员交底→全面检查爬升机构、架体及障碍→安装单轨吊车并调试预案→安装最上面一道附墙支座→拆除最下面一道附墙支座→升降架体一个楼层高度→调紧支顶器→将单轨吊车、附墙支座周转到上层安装位置→准备进入下一次升降循环。
外立面上循环穿插施工。公寓楼采用铝模施工,外立面结构上存在大量螺杆洞,同时,外墙为涂料外墙,在爬架爬升之前,外墙需完成一道腻子,便于后续外墙施工。公寓楼标准工期为5 d,外立面上循环穿插施工流水线为:结构浇筑(1 d)→螺杆洞封堵(1 d)→修补打磨(1 d)→抹灰腻子(1 d)→爬架爬升。
爬架使用过程中安全管理要点。爬架爬升结束后,应检查第三道附墙支座是否为2道螺杆及双螺母,螺杆露出螺母端部的长度不应少于3丝且不得小于10 mm;应全面检查附墙支座支顶器拧紧顶实情况;单轨吊车需设置防潮、防污染保护罩,链条应有足够的机油防止锈蚀。
公寓楼飘板处由于空间狭小,工人通常在安装方箱式支座时使用方木进行支座底部铺垫,支座安装完毕后需移除方木,否则支座通过方木传递给飘板容易出现混凝土裂缝。研发楼采用木模施工,梁底的主龙骨为钢管,在搭设支模架时钢管不能伸出梁外过长,否则混凝土浇筑后影响爬架爬升。
爬架在使用时允许2层可变荷载3.0 kN/㎡或3层可变荷载2.0 kN/㎡,需严格控制爬架走道板上的材料堆放,原则上模板、铝模、背楞等支模架材料不允许在爬架上堆放较长时间,只能临时堆放。
在6级以上大风以及大雨、大雾天气时,应停止使用爬架,在恶劣天气结束后,全面检查架体稳固情况。
3.4 爬架拆除
拆除流程如下:设置安全警戒区→清除杂物→拆除提升装置→拆除导向装置→拆除控制设备→拆除连接构件→拆除塔式起重机起吊架体上半部→拆除塔式起重机起吊架体下半部→依次拆除其余机位。
爬架拆除。安全警示:在待拆区域正下方以外15~20 m设专人看守,防止非工作人员进入拆卸区,确保拆卸安全。
拆除顺序:架体的拆除必须遵照先上后下、先外后内的总体原则。由上至下拆除顺序如下。首先,拆除提升动力机构、顶部安全网、防护栏杆、脚手板。其次,由上至下拆除架体板:安全网、翻板、脚手板、吊杆栏杆、吊杆。然后,拆除定型桥架:安全网,脚手板,拆卸分解桥架为单元片、水平支撑单元和斜撑单元。最后,拆除主框架和附墙架:主框架4节、上部附墙架、主框架加节部分、下部附墙架、主框架3节、主框架2节、主框架1节。
工程架体拆除。首先,架体分段吊拆前,各机位上下2道附墙拉杆及架体连墙临时拉结必须全部附着拉结紧固,塔式起重机钢丝绳吊挂住待拆解架体段的两端(必须4点吊栓),将架体由上至下断开,拆除附墙拉杆并解除临时拉结,用塔式起重机吊拆至地面,在地面分解架体。架体吊拆分段必须在直线方向上进行,不允许转角吊拆。然后,根据机位设计布置跨度,架体分段吊拆跨度必须控制在2跨,即每段吊拆小于或等于3个机位。
架体整体吊拆作业时,当架体全部断开后,在起吊前必须在吊拆架体两侧的临近架体与建筑物外结构间用短钢管临时拉结。这样做一是配合塔式起重机吊拆(防止塔式起重机起吊时晃动碰撞相邻未拆架体),二是确保未拆除架体悬挑段稳固。架体拆至地面分解后应按类堆放整理,并及时清点入库保养。
4 结束语
目前爬架已被广泛使用,爬架对项目的成本、质量、进度有较大的影响,施工企业有必要深度参与爬架的深化设计与施工过程,确保为项目创造更大的效益。
(本文已完结。)
摘自《建筑技术》2023年8月,黄必成,郑少星,李宏伟,李开燕,刘思平