总工委员会
行业动态
建筑技术丨后浇带三角立柱独立支撑体系技术研究
来源:admin 浏览量: 发布时间:2024-11-21 15:32:10
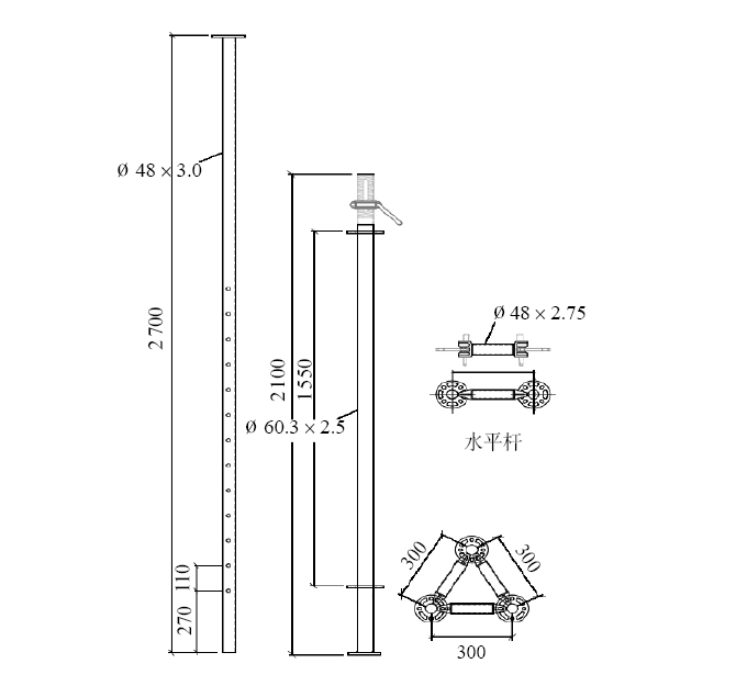
三角立柱支撑体系包括上部立杆和下部立杆,上部立杆设有限位插销孔,分成13级,用来调节立杆长度,长度最长可达到1 590 mm;下部立杆的上部设置微调螺旋区,可微调长度为220 mm。
三角立柱支撑体系的立杆高度调节操作方法简单,适用于目前各种层高、各种式样的后浇带处施工。
1 工程概况
广州市万致房地产有限公司新塘东洲项目A地块工程位于广州市增城区新塘镇新塘东江大道东侧,占地面积31549 m2,总建筑面积248 459 m2,地下建筑面积63783 m2,地上建筑面积177991 m2,工程设计为高层民用住宅,由2层地下室,10栋32/34层塔楼及附属公建配套组成,公建配套包括一栋3层幼儿园、2层公交首末站及相关设备用房,最大建筑高度103.80 m,结构形式为剪力墙结构,10栋塔楼标准层均采用铝模+爬架施工。
2 后浇带三角立柱支撑体系
后浇带是一种现浇整体化的钢筋混凝结构。在施工过程中,为能够有效解决因温度、收缩等原因而产生开裂变形缝,在经过长时间后再进行封闭,从而将结构连接成一个整体。
该项目地下室后浇带一般为沉降后浇带,由于封闭日期相对较晚,后浇带处传统支撑形式采用独立支撑体系,因此从模板、主次龙骨在到支模架体都是独立设置。但这样的支撑体系易出现如下问题。
(1)模板和主次龙骨均单独设置,在现场实际施工时能做到和周围模板、龙骨分开支设难度较大,因此现场施工基本没有进行独立支设,而以往在现场看到的后浇带处独立搭设的支模架体,极可能在混凝土强度达到拆模条件时,先把所有的龙骨等材料拆掉,然后在该处对支模架体进行回顶,这样就会形成后浇带处架体独立支顶的虚假现象。
当后浇带并不封闭,且两边结构都处在悬挑情况下,只要将支撑结构拆除然后在进行架体回顶,构件就会产生向下的沉降,产生破坏性的裂缝,甚至造成安全质量事故,无法发挥单独搭设支模体系的作用。
(2)即使后浇带可以进行传统施工方式的独立支顶,但是在后浇带封闭之前必须对后浇带两侧混凝土面进行打凿并将后浇带内的杂物清理完毕,但因为传统施工方式独立支顶让施工人员直接对后浇带两侧混凝土面进行打凿和完成后浇带内的杂物清除难度大,因此现场施工人员会先私自拆除架体,在进行打凿和清扫,之后再进行回顶恢复到原来的支撑形式,但依然会导致后浇带两侧构件产生向下的沉降以至于开裂。
(3)传统的后浇带支撑架体搭设是连续的,不利于地下室的交通运输,会在造成一定的影响,降低施工效率,从而影响其他工序的穿插。
(4)传统的后浇带支撑架体搭设需要较多的木模板、钢管等材料,因要等到浇筑完后浇带处混凝土,并满足规范要求的强度,才能拆除架体等,所以很长一段时间不会转移到其他部位进行使用,提高周转材料租赁费用。
3 技术应用
3.1 研究内容及意义
基于广州市新塘东洲项目A地块,提出了一个可拆卸式后浇带三角立柱独立支撑体系,这个系统是以3个可调节立杆为组合,可调整立杆彼此之间通过使用横杆连接,既而构成等边三角形组合。
该可拆卸的后浇带三角立柱支撑构件现场施工技术简单,可增加现场作业的可实施性,确保架体从支顶开始至浇筑完后浇带处混凝土,并达到拆模要求这个时间段,三角立柱支撑不被现场人员违规拆除,确保后浇带附近构件不因现场人员错误施工而出现开裂等事故,节省材料积压时间,且能周转使用。
3.2 设计概况
三角立柱独立支撑系统是以三根可调节立杆为一组,三根可调节立杆相互之间通过使用连接横杆连接从而形成等边三角形组合(图1)。

图1 三角立柱独立支撑
调节立杆包括上部立杆和下部立杆,下部立杆选用2.1 m高60.3 mm×2.5 mm钢管,上部立杆为2.7 m高48 mm×3.0 mm钢管。上立杆上沿轴向设有多个径向穿孔的限位插销孔;下立杆上端设有微调螺旋区,微调螺旋区设有径向贯通、轴向设置的插销槽;上立杆设有的限位插销孔的一端插入到下立杆上
设有微调螺旋区的一端,粗调限位插销在微调螺旋区插入插销槽和限位插销孔之间将上立杆与下立杆组合在一起。
上立杆上设有限位插销孔,其调节区域长度为1 590 mm,限位插销孔共分为13级。下立杆上部的微调螺旋区的微调长度为220 mm。调节立杆的调节范围为3.2~4.3 m(图2)。

图2 三角立柱独立支撑深化设计图
上述立杆构件厂家根据实验报告得出:一组独立支撑组合的抗压承载力为75 kN,且3根组合比单根稳定性好。根据现场实际施工需要可以定做杆件,增加它的承载力,满足现场施工要求。
3.3 施工方法
3.3.1 工艺流程
深化设计→材料生产→材料准备→现场准备→现场安装→现场拆除→周转使用。
3.3.2 操作要点
(1)在支设模架体系时,可拆卸式后浇带三角立柱独立支撑体系与其周围支模架体同时搭设,主要搭设于后浇带两侧每根梁端底部,大跨度板部位搭设于板底进行支撑。所有支撑立柱设置在距离后浇带300 mm处,每侧间距不大于3 m,板底三角撑直接支撑至模板底,采用500 mm×500 mm模板条单独搭设。
梁底三角撑直接支撑到主龙骨上,适用于无梁楼盖和有梁楼盖,可拆卸式三角立柱支撑和旁边支模架体彼此独立;当结构混凝土强度达到拆模要求时,在将周边所有支模架体拆掉,唯独留下三角立柱支撑。
(2)通过使用小横杆连接三根可调节立杆,其连接方式:调节立杆上设有的圆盘扣上都有插孔,连接横杆两端均设有卡槽和连接插孔,通过横杆插销插入插孔和圆盘扣进行连接,安装效果如图3所示。

图3 三角立柱独立支撑三维示意
4 质量管控
(1)将三角立柱支撑四周的所有其它支模架体拆掉,在后浇带封闭之前必须对后浇带两侧混凝土面进行凿毛处理并将后浇带内的杂物清理完毕,然后重新搭设架体以方便混凝土浇筑,直至后浇带处混凝土强度满足拆模要求后,再将三角立柱支撑,连同新搭设的架体等材料一起拆掉;最后将拆卸下来的三角立柱转移到其他部位进行使用。
(2)施工前需由施工技术人员对现场工人做好详实地交底和施工注意事项等。
(3)在施工时,项目施工管理人员必须在一旁进行指导和监督,发现问题及时进行改正。
(4)严格工序检查验收。
5 结束语
随着行业内对结构施工安全的要求和标准越来越高,三角立柱独立支撑体系,可以从架体支顶开始至浇筑后浇带混凝土并达到拆模强度这个时间段,三角立柱支撑不被现场人员违规拆除,保证了后浇带附近构件不因现场人员错误施工而出现开裂等事故。
可拆卸式三角立柱相比传统独立支撑体系具有施工便捷性等特点,缩短材料使用时间长的问题,并能多次周转到其他部位使用,减少材料浪费,符合绿色施工理念。
摘自《建筑技术》2023年9月,朱明亮, 韩永明, 孔 慧, 鞠鹏飞