行业动态
建筑技术丨一种地下连续墙II形接头施工新技术
来源:admin 浏览量: 发布时间:2025-02-20 14:37:16
1 工程概况
工程场地位于上海集设园4–2地块,东邻创新河,西侧为申江路,南至秋月路,北侧为银冬路。总用地面积35 103 m2,总建筑面积约220 067.86 m2,基坑面积约25 370 m2,基坑周长约680 m。东西方向的长度大约107 m,南北向长约233 m,开挖面标高约15.050 m,局部落深区开挖深度19.05 m。
地下室各层楼板标高和基坑开挖深度具体情况见表1。
表1 地下室各层楼板标高和基坑开挖深度 m

场地内土质条件较差,有大量淤泥质土,水位埋藏深度小,对施工有较大影响,基坑的安全等级设定为一级。
2 场地条件
2.1 工程地质条件
对于本项目场地,为滨海平原古河道沉积区与正常沉积区交界区域,深层土体分布起伏较大,土层主要由粘性土、粉性土及砂土组成。
场区地基土属上海市滨海平原地貌类型,场地东侧红线外分布有南北向的创新河。地表杂填土分布厚度较大,埋深2.7~4.9 m。对本项目的地基基础和基坑安全影响比较大的为上部土层中的潜水,大气降水是其主要的补给途径。勘察深度范围内土层分布见表2。
表2 土层分布

2.2 场地水文地质条件
2.2.1 地表水
场地内无地表水分布。场地东侧红线外分布有一南北向的创新河,距红线约10 m,勘察期间测得河面标高为2.710 m。
2.2.2 地下水
(1)潜水。对本工程的基础施工有较大影响的为上部土体中的水位分布,以大气降水为主要补给渠道。在对项目场地进行勘察时,所得到钻孔中的稳定水位埋藏深度1.00~1.60 m,所对应的标高为3.110~3.680 m,平均标高3.380 m。场地潜水与河水间无明显的水力联系。
(2)(微)承压水。根据勘探揭露,场地内无微承压水。第一承压水含水层的所在位置为第⑦层粉(砂)性土层,第二承压水含水层为第⑨层粉(砂)性土层。本工程所在位置的承压水位比潜水位低,表现为周期性的变化,区域内承压水水位埋深范围为3.00~12.00 m。正常沉积区域内的承压含水层顶板埋深最浅为29.80 m;古河道沉积区最浅为33.30 m。
3 新型接头地下连续墙施工
3.1 地下连续墙
本项目地下连续墙的施工采用“两墙合一”技术,地下连续墙在底板、圈梁等处设置钢筋接驳器,在扶壁柱和结构柱位置设置预埋钢筋。地下连续墙厚度均为800 mm、1 000 mm,总计120幅。地下连续墙所用混凝土的设计标准在水下为C35,相应的抗渗等级取P8。
导墙混凝土强度为C30,所用钢筋为14@200 mm,双向布置,在地下连续墙设计厚度的基础上,两边的导墙间距离再增加40 mm,导墙的拆模工作完成之后,在墙之间设支撑,按照设计要求,有效控制好导墙附近的荷载。
3.2 Ⅱ形接头设计与施工
3.2.1 设计方案
本工程原设计方案接头管形式采用锁口管接头,如图1所示,接头管的吊装需要用履带式起重机(100 t)。接头管应高出导墙顶1.5~2.0 m。在吊装接头管时,保持缓慢匀速,按照规范把控垂直度,用顶升架和汽车式起重机配合将接头管拔起。

图1 锁口管接头形式
但是此种接头方法对浇筑的要求较高,在浇筑过程中需要混凝土量充足,如果下部浇筑早的混凝土与上部后浇混凝土时间间隔过大,容易使锁口管卡在混凝土中,难以拔出。并且这种接头工艺刚度小,可能会发生变形,接头形状为圆弧形,抗渗性有所欠缺。
基于此,改进后的方案采用新Ⅱ形接头,该工艺可以实现接头和槽段独立施工,槽段也能闭合作业,在提升施工效率的同时,也可以进一步保证工程质量。
本次设计的接头形状为Ⅱ形,材质采用型钢,并在其内部浇筑混凝土。浇筑混凝土时为防止其绕流到型钢外部,从而和周围的泥浆融合成强度低的混合物,后期会造成地下水沿着混合物内部流入基坑中。新设计的方案中在型钢两端各焊接了铁皮来阻止混凝土绕流情况,如图2所示。

图2 改进后的新Ⅱ形接头形式示意
3.2.2 施工过程
在导墙施工完成之后,进行接头与槽段的施工,Ⅱ形接头的施工顺序为:型钢柱的加工;确定接头位置;成槽施工;嵌固孔测量、成孔;钢柱的吊放;浇筑柱底部位混凝土;开挖接头;回填施工;混凝土柱浇筑。
接下来是槽段的施工,钢筋笼在地上平台制作完成,为进一步提高制作精度和施工效率,操作平台采用刻度线标记的形式,然后进行槽段开挖并顺带清理底部的渣土,钢筋笼的吊装施工,槽段内部混凝土浇筑,最后,需要在Ⅱ形接头的部位用高压旋喷桩加固。
3.2.3 Ⅱ形接头的制作与施工
在新型接头制作完成后,紧接着是成槽、嵌固孔的施工,对于成槽施工,先做好标记,为后续开槽做好准备,成槽施工前,在槽段连接处做好标记,开挖中心以型钢柱的中心为准,根据测量的高程,确定槽深,然后进行槽段的施工,施工过程中每1.5~2 h抽检一次泥浆是否合格。
成槽完成后安装型钢柱,先把其下部1 m翼板多出的部分切除,并且翼板需按设计位置开口,将型钢穿入口中架在导墙上,施工过程中需要正对引孔中心钻进,以孔中心为标准,竖直向下量1.4 m,做好标记,为保证成孔质量,选用较高转速和低钻进速度相结合的方式,最终形成嵌固孔的尺寸为1 m×1.4 m。
为进一步提高安装的准确度,吊装时需要将型钢柱与孔中心对齐,钢柱下部1 m放入嵌固孔,最下端和孔底的距离为0.4 m,安装完成后用超声波复核其垂直度,如不合格,则进行调整,符合标准后再进行固定。
型钢柱与导墙的连接使用L形角钢和螺栓,为防止型钢柱发生偏移,将型钢柱上的槽钢沿长度方向连接起来,如图3所示。

图3 新Ⅱ形接头固定形式
按照上述方式安装好型钢柱后,接着进行清孔工作,本工程采用正循环的方式。接头处混凝土施工时,柱底部位的混凝土先施工,尽量减少对型钢柱的扰动,混凝土初凝后,再进行两侧的施工。
3.3 槽段施工
槽段施工采用闭合方式进行,槽段开挖、清底、刷壁等一系列工作完成之后,吊装、下放钢筋笼,随后安装混凝土导管和清槽换浆设备,清理沉渣,准备浇筑混凝土,施工过程中需要注意以下几个方面。
3.3.1 成槽精度控制
(1)成槽机垂直度控制。在本项目中选用的液压抓斗成槽机,包含自动纠偏装置(测斜仪),及时监测槽孔垂直度和塌孔。成槽开始施工之前,需要先将其调平。施工过程中,使用设备上的纠偏装置来确保成槽的垂直度符合标准。
(2)成槽挖土冲击顺序的确定。槽段的施工时需按照先两侧、再中间的顺序,保持抓斗的受力均衡,能够较大程度地纠偏,以减少垂直度偏差。单孔、隔层全部都施工到相应的标高时,然后沿槽的长向再挖一部分。
对于地下连续墙几个角部的施工作业,成槽机在施工时,经常会造成槽内留有渣土,为改善这一不足之处,依据成槽机两侧施工成槽的形状特征,在此处继续往外侧延长约20 cm,来弥补断面的不足,同时有利于后期钢筋笼的入槽。
(3)成槽。挖沟槽时必须垂直对准槽孔的正中央位置,孔位误差一般不能超过30 mm,孔位垂直度误差应不大于误0.4 %。槽孔施工至要求标高后,使用超声波来判断槽段断面的尺寸。
3.3.2 混凝土灌注
(1)灌注施工要点具体如下。
1)在施工过程中,对槽段使用的混凝土的级配有较高的标准,不仅要达到结构强度,还需在水下能正常施工,有较高的流动性。
2)两根导管在一个槽段里同一时间施工,此两管距离应不超过3 m,同时满足管与槽段接头处距离在1.5 m之内。灌注初始,导管、槽段二者底端距离不大于500 mm;混凝土面以匀速上涨,不同导管的混凝土面高度相差在0.5 m之内,为保证浇筑质量,在混凝土完全凝固之前,需要完成浇筑工作。
3)混凝土面的上升速度控制在2.0 m/h以上,埋进混凝土中的导管长度范围为2~6 m。
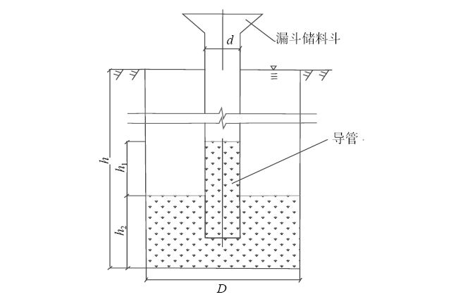
(2)初灌量计算。计算原理如图4所示。

图4 初灌量计算原理示意
通过分析,本工程设置的初灌量大于9.72 m3。
4 施工效果
为控制接头和槽段的质量,在型钢柱安装完成和槽段开挖后,需要进行垂直度复核,本文使用的检测方法为超声波检测技术,利用超声波检测仪对槽壁发射超声波来计算槽宽。
检测结果显示,Ⅱ形接头的垂直度偏差均在0.15 %之内,槽宽偏差均在10 mm之内,满足规范要求,综合来看,利用此种工艺形成的槽段质量合格。
地下连续墙施工结束后,又对地下连续墙的接头止水效果、墙身的垂直度及混凝土强度、预埋件的精度等进行检查,都与设计要求相吻合,质量符合标准。
从地下连续墙开始施工到地下底板浇筑完成后,过程中一直进行监测,依据监测单位对该体系监测的结果:深层水平位移(警戒值45 mm)如图5所示,地表沉降29.55 mm(警戒值35 mm),圈梁沉降22.21 mm(警戒值45 mm),墙顶位移5 mm(警戒值45 mm),第一道轴力累计变化量4 783 mm(警戒值5 000 kN),第二道轴力累计变化量6 909 kN(警戒值12 500 kN),第三道轴力累计变化量6 472 kN(警戒值9 500 kN),均在允许范围内。

图5 深层水平位移
5 结束语
本研究探讨了在软土地基条件下,地下连续墙施工槽段接头技术改进问题,有针对性地提高了在软土地区不同条件下的较深基坑中“两墙合一”永久性支撑系统地下连续墙防渗质量,可以为同类工程研究提供借鉴作用,能够给类似项目带来参考意义。
事实证明,这种新Ⅱ形接头可以被广泛应用到软土地基条件下的地下连续墙施工中,可以减少后期维修的费用,实现了节省社会资源的目标,并且具有较高的安全性与实用性能,在以后的建筑施工中具有广阔的应用前景。
摘自《建筑技术》2023年12月,杨金波, 吴广利, 王连铎, 韩笑笑, 张治继